Curto-circuito do IGBT no sistema e sua proteção

Curto-circuito do IGBT no sistema e sua proteção

May 20, 2022

Curto-circuito do IGBT no sistema e sua proteção

resumo

Este artigo discute brevemente vários métodos comumente usados de proteção contra curto-circuito do IGBT em sistemas de baixa voltagem de pequena e média potência, e principalmente introduz a forma de usar a detecção Vce. O princípio de funcionamento da proteção contra curto-circuito e a racionalidade do projeto do circuito de proteção são brevemente explicados.

Introdução do esquema de proteção contra curto-circuito

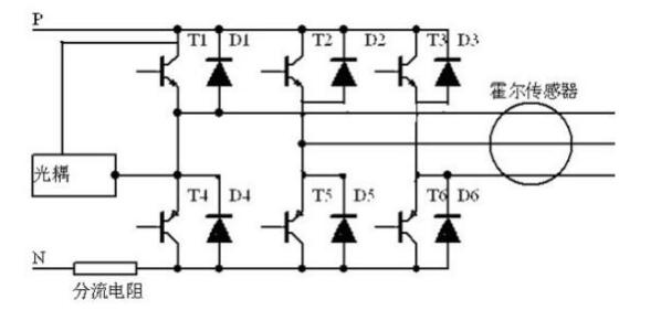
No projeto comum de proteção contra curto-circuito, a amostragem de corrente tem principalmente três formas, respectivamente: detecção de resistência de shunt N-BUS (zero

detecção de saída Hall, detecção de voltagem Vce.

IGBT1

gráfico 1

O sinal de voltagem é usado conectando uma pequena resistência para determinar o curto-circuito no circuito do barramento. Este método tem alta precisão e sensibilidade, e pode proteger o curto-circuito para o terra, a desvantagem é que só é adequado para máquinas de pequena potência, alta corrente para a resistência requerimento de potência é muito alto.

À medida que o tempo de resposta de Hall continua a melhorar, ele não apenas tem a função de converter o tamanho da corrente, mas também protege a corrente de curto-circuito através do circuito de hardware. Devido aos problemas de tempo de resposta da detecção de Hall, a confiabilidade era relativamente menor do que os outros dois métodos. O sensor de Hall não está disponível porque está instalado na extremidade de saída


Método protege o tubo superior e inferior através.

A proteção fotocoplada do IGBT é alcançada detectando a tensão C-E e, de acordo com a relação entre V ce e Ic, quando Ic aumenta rapidamente, Vce acompanha.Quando o valor de Vce atinge a tensão de ponto de proteção, o acoplamento óptico se desliga e envia o sinal de erro para o DSP, todo o processo geralmente dura entre 5 e 10us. Porque essa proteção é muito altamente sensível e tem baixa precisão, ela é adequada apenas para proteção contra curto-circuito. A Figura 2 mostra o diagrama de Vce e Ic do GD200HFL120C2S. Com o aumento de Vce, o aumento de IC está aumentando. O Ic em + 7V na verdade excede em muito a corrente de curto-circuito do módulo. Ao fazer o teste dinâmico de curto-circuito, os parâmetros L, Vg, tr, tf e outros têm controle estrito e estável, e a corrente geralmente é controlada em 8-10 vezes Ic, como mostrado na Figura 3. No entanto, o curto-circuito é testado no sistema, e a corrente frequentemente aumentará devido às características do interruptor, à carga do circuito e à interferência.

IGBT2

Proteção comum contra curto-circuito para acionar o acoplamento óptico

(I) PC929

PC929 é um acoplamento óptico de acionamento comum na indústria do inversor, com função de proteção contra curto-circuito (PC923 sem proteção). Porque sua corrente de pico de saída é apenas 0,4A, a condução de IGBT de alta potência precisa ser amplificada na extremidade traseira para acionar o IGBT. Quanta corrente do módulo que o PC929 pode acionar depende da escolha do tubo. Desde que o PC929 possa acionar o tubo e o tubo possa acionar o IGBT, então pode ser alcançado.

A Figura 3 mostra o circuito de proteção interno do PC929:


1. Quando o IGBT é desligado, a tensão C de 9 pés é puxada para zero.

2. Quando o IGBT é ligado, Vcc carrega o Cp através de Rc, com a tensão de carga excedendo +7V, e a transmissão O2

Com a desativação suave, FS envia o sinal de erro da CPU ao mesmo tempo, FS é eficaz no nível baixo, e a velocidade de carga de Cp é determinada por Rc e Cp.

3. Quando o IGBT é desligado, C é rapidamente puxado para baixo, e a velocidade de descida é muito maior do que a velocidade de desligamento do IGBT.

IGBT3

Muitas pessoas refletem que o P C 929 é propenso a mau funcionamento, mas o mecanismo do mau funcionamento não é muito claro. Algumas pessoas acham que o tempo de proteção é muito curto, enquanto outras acham que a queda de pressão do IGBT é muito grande. Então vamos discutir o motivo pelo qual o P C 929 apresenta mau funcionamento, o que é muito importante para o design do circuito de proteção do IGBT.

Em teoria, quanto maior o Vce (sat), mais rápido o IGBT atinge a tensão de proteção + 7V na zona linear, o que está correto, mas não é a causa da má ação. O valor de Ic correspondente à queda de pressão de saturação de + 7V é muito maior do que a queda de pressão de saturação da corrente de sobrecarga máxima, enquanto a queda de pressão do chip geral é apenas abaixo de 1V, e essa diferença não causará má ação no estado não em curto-circuito.

Quando o IGBT é aberto normalmente, a principal razão para o erro de proteção inadequada é o tempo de queda de Vce quando o IGBT é aberto, e o tempo de carga de Cp. Consulte a Figura 4.

A fonte de alimentação Vcc carrega o Cp através do Rc, com a tensão de carga de Ucp.

Se Vce descer ao longo de um caminho, então Vce caiu abaixo de +7V antes que Ucp atinja +7V, então a tensão de 9 pés não aparece acima de +7V.

Se Vce cair pelo caminho c, então Vce ainda está acima de + 7V quando Ucp atinge + 7V, então a detecção de voltagem de 9 pés aparecerá acima de + 7V, proteção contra curto-circuito de salto.

Conclusão: Para evitar a ação de erro de abertura, você pode estender o tempo de carregamento ou aumentar um pouco a velocidade de abertura.

IGBT4

(2) 316J

O 316J também é amplamente utilizado para acionamento de IGBT e acoplamento óptico com detecção de Vce. A maior diferença em relação ao PC929 é que o 316J é capaz de acionar diretamente o módulo de 150A sem a necessidade de tubos. Em termos de mecanismo de proteção, também é muito semelhante ao PC929. Veja a Figura 5: quando o IGBT é desligado, DESAT (14) é puxado para o terra através de um MOSFET de alta velocidade, o MOSFET é desligado após o IGBT ser aberto, e os 14 pinos são carregados através de uma fonte de corrente interna e capacitor, e a tensão aumenta mais do que +7V e o 316J protege. O PC929 está carregando o capacitor com Vcc através de resistência; o 316J está carregando diretamente o capacitor através da fonte de corrente interna. Como o capacitor é carregado com uma fonte de corrente constante, o tempo de carregamento também pode ser calculado com mais precisão:

t=CV / I, selecione C=100p

t =100p *7V /250u A =2.8u s

Isso significa que o Vce deve cair abaixo de + 7V em 2.8us, ou será atrasado.

IGBT5

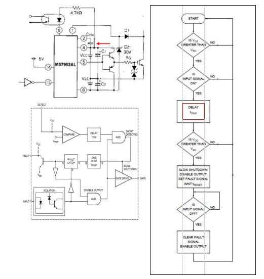
(3) M57959 / M57962

Os blocos de integração de acionamento M57959 e M57962 da Mitsubishi também possuem proteção contra curto-circuito. Ao contrário do PC 929 e 316J, a Mitsubishi empacota o acoplamento óptico e os componentes periféricos juntos. As vantagens são alta integração, instalação fácil, e as desvantagens são a incapacidade de alterar os parâmetros internos do dispositivo.

IGBT6

Pode-se obter dos dados relacionados ao M 57962 que quando o IGBT é aberto, V cc é carregado e então comparado com a voltagem de referência Vtrip para determinar se há curto-circuito ou não, semelhante ao PC929.

O tempo de ATRASO pode ser ajustado alterando o capacitor externo C tri p, para que o tempo de proteção possa ser ajustado para evitar a má operação de abertura.

IGBT7

gráfico 6

Introdução do experimento de proteção contra curto-circuito

A proteção contra curto-circuito pode ser dividida em curto-circuito alternado de acordo com a forma do curto-circuito, curto-circuito relativo. Mas, independentemente do tipo de curto-circuito, para que haja um fluxo de corrente, é necessário constituir um circuito, portanto, no projeto da proteção contra curto-circuito, pode ser detectado em qualquer posição do circuito, é claro, o efeito não é o mesmo. Geralmente escolhemos detectar o V c e


Tensão, porque é relativamente eficaz e confiável.

Na fase de teste de proteção contra curto-circuito da indústria de inversores, há primeiro curto-circuito após a operação e primeiro funcionamento após o curto-circuito. A condição de curto-circuito do primeiro é relativamente simples, a saída foi curto-circuitada, quando o sinal aberto chega, a corrente começa a subir; a condição deste último é mais complexa, quando o sistema está em funcionamento, a posição do curto-circuito pode estar em qualquer ponto no ciclo de trabalho, então a forma de onda de cada curto-circuito também é muito diferente. Então, qual corrente de proteção é maior? Após testes no sistema, descobrimos que o curto-circuito durante a operação, a corrente pode subir mais, porque o curto-circuito quando o IGBT abre, Vg é aumentado, e o I c na região linear é principalmente afetado por Vg.

I r es =C r es *dv /d t

∆ Vg=Ires*(Rg+Ri nt)

I c =K (V g -V t h )2

A Figura 7 mostra a forma de onda de curto-circuito medida no testador dinâmico. Descobrimos que após o I sc aumentar constantemente, ele é limitado pelo próprio chip. A tensão do portão Vg não foi muito perturbada durante todo o processo.

IGBT8

A Figura 8 mostra a forma de onda de curto-circuito do módulo 1200V / 50A no conversor de frequência.

- -t 1: dv / d t afeta continuamente V g; I sc está em ascensão, a inclinação é determinada pelo indutor de carga parasita L, Isc=K (Vg-Vth) 2

- -t2: dv / dt para de afetar Vg, Vg diminui, e Isc diminui com Vg.

- -t3: Vg é estável e Isc é estável.

- -t4: IGBT desligado, Isc reduzido, Vce=Vdc + di / dt * Lbus, então ocorre sobretensão de voltagem.


IGBT9

resumir

Em resumo, o IGBT, como um importante dispositivo conversor do circuito de potência, tem probabilidade de explodir em caso de acidentes, por isso a proteção contra IGBT é especialmente importante. A probabilidade de um curto-circuito no IGBT não é muito grande, mas se o curto-circuito não for protegido a tempo, as consequências serão devastadoras. Esclarecer o princípio da proteção contra curto-circuito do IGBT e seu modo de funcionamento pode ajudá-lo a projetar uma linha de proteção razoável, que pode proteger o IGBT a tempo, mas também não afetará a operação normal do sistema.


Uso do módulo IGBT para considerações de design em paralelo
Sistema de Banco de Capacitores de Potência Concluído